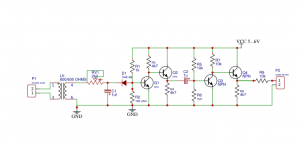
Motor driver L298N

Permite controlar hasta 2 motores de corriente continua o un motor paso a paso bipolar. También permite controlar un motor paso a paso unipolar configurado como bipolar Caracteristicas: Voltaje operativo mínimo: 5 V Voltaje operativo máximo: 35 V Máxima corriente: ± 2 A Voltaje lógico: 5V Entradas de señal PWM para el control de velocidad …

MP3 Shield Arduino uno

This MP3 shield board is designed based on VS1053B from VLSI. using this shiled you can plug in your arduino UNO/MEGA direcly as showing in pic, dont’ need need to hook up with jumpers, it’s becomes more easy to play music compared with the tiny mp3 breakout board. VS1053 is a versatile MP3 codec processor …