Categoría «Electrónica»

DC Boost XL6019 5V/12V/24V Ajustable

El XL6019 es un elevador de voltaje (Step Up) que por medio de la regulación se puede obtener voltajes entre 5V – 35V DC a partir de una fuente con un voltaje inferior; con una alta eficiencia de conversión, excelente regulación de línea y bajo voltaje de rizado de DC a DC. Es capaz de …

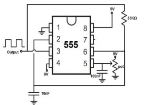
OSCILADOR CONTROLADO POR LA SEÑAL PWM.

Me ha parecido interesante este montaje al controlar un oscilador(ne555) por medio de unos niveles de voltaje que será proporcionado por la señal PWM, variando el duty Cycle. Aunque ya sabemos que el Esp32 puede variar la frecuencia de las señales PWM , la utilidad de este circuito nos enseñará a aplicar y practicar los …

CONVERSIÓN DAC CON SEÑALES PWM .

Metodos conversión DAC; Para obtener una conversión digital analógica algo imperfecta desde una salida PWM podemos acudir desde una simple red de filtro RC,hasta una bomba de carga para luego aplicarla a diversos menesteres en función de las necesidades de nuestroproyecto. A primera vista se me ocurre pensar en un potenciometro controlado por PWM. De …

Tensiones diodo Led

Nuestro gran aliado,el diodo led, nos permite poner en práctica pruebas que ayudarán a la comprensión fácil de cierta base de conocimientos. Pero primero tenemos que tener en cuenta que cada color esta sujeto a una tensión para su brillo máximo que no hay que sobrepasar para no destruirlo. Como generalidad, con 12V yo siempre …

Configuración AS32&E32-ttl-100

Propuesta de configuración del módulo transceptor con arduíno nano, donde se pueden cambiar los modos de trabajo a traves de dos pines digitales conectados a M1 y M0 .La salida «aux» la podremos utilizar bien con un diodo led conectado a un nivel HIGH, o a un pin digital para indiCarnos la actividad de TX/RX …

Set bluetooth GRBL

Esquemático de un arduino Nano AT328 cargado con el firmware GRBL y su conexión con un driver TMC228/229, donde se destacan las entradas y salidas del puerto serie para conectar un módulo Bluetooth o cableado directo de forma que podamos jugar con los comandos Jogging y así poder controlar un motor paso a paso.

Breadboard con regulador de tensión y monitor de consumo.

Expongo este pequeño montaje con componentes de bajo precio adquiridos en Amazon que nos ayudará a monitorizar nuestras prácticas sobre una breadboard. Disponemos de un breadboard, un regulador LM2596 y dos medidores: un voltimetro y otro voltimetro/amperimetro. En la breadboard vamos a tener dos tensiones de trabajo; por un lado la salida del regulador -linea …